八零图社
首页
最新
热门
排行
首页
最新
热门
排行
自然风光
动漫卡通
美食摄影
科技数码
人物写真
创意设计
壁纸背景
游戏原画
首页
两个人错过的图片唯美
图片详情
表示错过爱情的图片带字 自己错过了爱情的图片_微信头像图片大全
0
浏览
0
喜欢
200x200
尺寸
2026-03-13 12:28:52
上传
查看原图
下载图片
图片链接
缩略图
原图
外链
专题
两个人错过的图片唯美
相关图片
李笑来:我们重新认识了"错过"|#101计划#no.021
0
0
【故事】那个留在我们青春里的人
0
0
世上最遗憾的不是不爱了,而是明明相爱的两个人 - 抖音
0
0
错过 文字控 壁纸
0
0
你不必记得我,我们只是萍水相逢
0
0
20多处细节看两个梦中人如何完美错过谈一对一自保4和自保社群9关系上
0
0
唯美浪漫情侣时尚插画系列-遇见,错过图片
0
0
因为一个误会相爱的两个人就这么错过了多沟通也许结局会不一样
0
0
两个人在一起真的很不容易,缺点可以改性格可以磨合,错过了真的 - 抖
0
0
错过爱情
0
0
.
0
0
错过一个人,那人便与你无关
0
0
随机推荐
陈艾琳irenechen
0
0
poppin澳大利亚进口爆米花microwave popcorn香浓黄油味/清淡味
0
0
深情的高伟光
0
0
江映蓉57cm"大粗腿"引舔屏,大围度欧美身材,不得不说属实时尚_管理_女
0
0
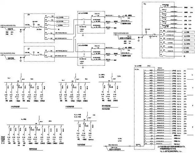
江苏省公寓楼装饰电气施工图
0
0
所有年轻力量,创意设计师齐聚一堂,向这个新的时尚时代致敬#胡兵在
0
0
外墙砂水别墅喷砂石头漆
0
0
moment黑色工装连体裤短裤短袖女2023新款夏季薄款小个子短款气
0
0
组图:海莉oversize西装飒气满分 肯豆红色长筒靴秀美腿
0
0
室内娱乐体育锻炼健身车器械幼儿体能练习跑步机感统训练器材跑步机b
0
0
国产街车n19来了,1:1仿川崎z1000,蛇形车头,4颗l - 抖音
0
0
大部分的蜘蛛都是有毒的.不同种类之间的体形差别很大,大约在0.
0
0