八零图社
首页
最新
热门
排行
首页
最新
热门
排行
自然风光
动漫卡通
美食摄影
科技数码
人物写真
创意设计
壁纸背景
游戏原画
首页
34063芯片引脚图
图片详情
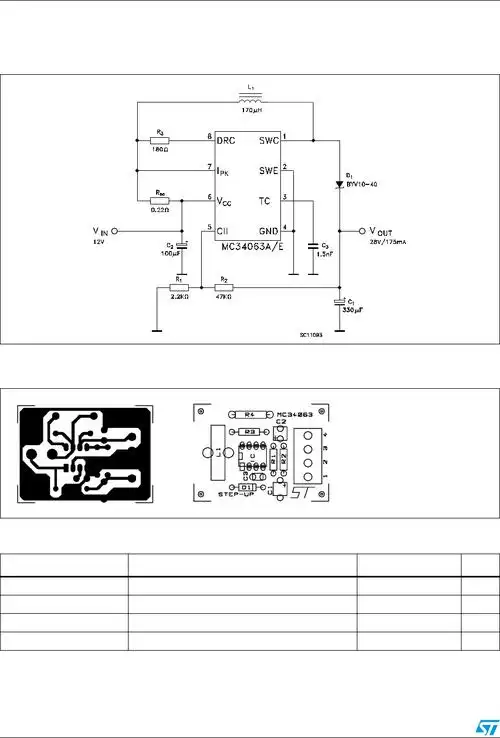
34063升压电路【硬之城】
0
浏览
0
喜欢
862x565
尺寸
2026-03-13 09:10:48
上传
查看原图
下载图片
图片链接
缩略图
原图
外链
专题
34063芯片引脚图
相关图片
mc34063芯片特点引脚以及封装原理图
0
0
mc34063eb
0
0
mc34063中文资料
0
0
电源芯片34063的中文资料,告诉你可以插几伏的电源!
0
0
mc34063芯片特点引脚以及封装原理图
0
0
mc34063引脚图及功能
0
0
升压模块34063外接mos扩流时,为什么还要接一个pnp三极管?谢谢.
0
0
几种稳压器ti的典型应用之mc34063
0
0
mc34063芯片原理与应用技巧(车充)
0
0
34063升压电路【硬之城】
0
0
mc34063芯片3脚外接定时电容,可调节振荡器的频率,进而决定开关管的
0
0
mc34063系列的引脚图和内部结构框图
0
0
随机推荐
抖音图文来了#人生感悟#佛语禅心 #佛说聚散不由人,得失天 - 抖音
0
0
呼伦贝尔烟盒劝阻版
0
0
励志正能量20句致努力前行有梦想的人
0
0
巴蜀川菜加盟_巴蜀川菜加盟费_加盟条件_91加盟网
0
0
江珊:我女儿有一米78!金星:一米78呢?江珊:对啊,她不让我说一米79!
0
0
文明礼仪伴我行学校文明礼仪展板背景
0
0
个性超短发发型女露耳
0
0
一定要试试呀~-超抓马的白纱蝴蝶结头饰96抽丝蓬松的双马尾编发
0
0
天堂/超可爱猫耳正太动漫头像系_男生头像_我要个性网
0
0
exo和tfboys谁努力?
0
0
手写 文字 白底 极简 by:可爱雯. 喜欢就收集我好更新 图源qq
0
0
现实生活中的f4汤臣一品汤珈铖王思聪上榜
0
0