八零图社
首页
最新
热门
排行
首页
最新
热门
排行
自然风光
动漫卡通
美食摄影
科技数码
人物写真
创意设计
壁纸背景
游戏原画
首页
长靴男
图片详情
佧仑芙品牌轻奢男靴男士中青年网红绿底切尔西长靴男潮英伦风情侣机车
0
浏览
0
喜欢
900x1200
尺寸
2026-03-12 21:01:15
上传
查看原图
下载图片
图片链接
缩略图
原图
外链
专题
长靴男
相关图片
长靴男士真皮皮靴秋冬季皮靴子潮流内增高真皮男士马丁靴男加绒高帮长
0
0
男士马靴长筒靴冬季长筒靴男美尖头皮靴马术长靴子高筒靴骑士靴 黑色
0
0
秋冬时尚个性长靴男土单里演出舞台皮靴靴子时装靴
0
0
【京荐优品】马术靴男 骑马长靴马术训练装备长靴男款障碍高筒马靴
0
0
秋冬牛皮机车靴马靴高筒真皮长靴男靴子防水马丁靴复古透气工装靴
0
0
黑色马丁靴男高帮英伦风机车中筒长靴男秋冬季加绒长筒皮靴潮靴a502
0
0
男士马靴长筒靴男士长靴男款皮靴高帮马丁靴男鞋冬季加绒保暖系带高筒
0
0
一折男士皮靴高筒_时尚阅兵靴高筒皮靴仪仗队马靴男靴子休闲骑士长靴
0
0
长筒靴男冬靴男款马靴长靴男秋冬季高筒马丁靴男士长靴子皮靴高帮男鞋
0
0
长筒靴男冬靴男款马靴长靴男男靴休闲男士马丁靴秋冬季高筒皮靴英伦流
0
0
迪鲁奥diluao长筒骑马靴男靴高筒长靴男靴队情侣款男阅兵靴蒙古靴子
0
0
秋季男靴子高筒潮流大码男长靴高帮马靴wcx55款黑色37
0
0
随机推荐
手绘古典美丽新娘
0
0
新城吾悦广场
0
0
发型不论怎么剪,最百变时尚的还是波波头,年龄大小都适合
0
0
斗图表情包 - 斗图神器 - adoutu.com
0
0
yhboys组合用童真唤回记忆 引领热议不停歇《变形金刚
0
0
下图为19男荒漠迷彩冬通用作战服下图为19男/女丛林迷彩夏通用作战服
0
0
中国第六代战机已现身官媒曝光概念照外形科幻战力十足
0
0
老虎
0
0
鞠婧祎穿蓝格纹吊带清纯甜美 双手捧脸卖萌
0
0
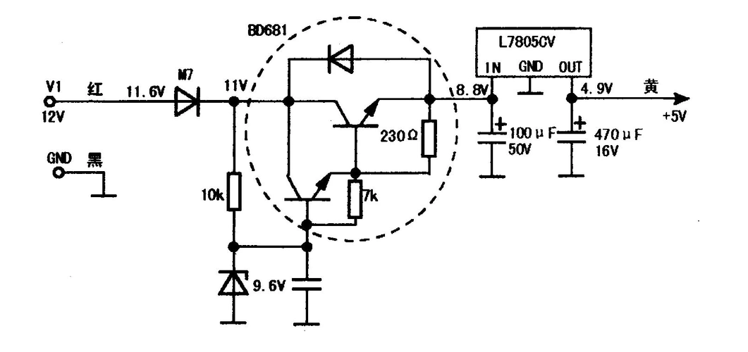
车用12v转5v接口电路实绘图
0
0
笔记本简笔画轻松学画画
0
0
成熟男头(超酷 超帅 成熟)月牙儿_男生头像_我要个性网
0
0