八零图社
首页
最新
热门
排行
首页
最新
热门
排行
自然风光
动漫卡通
美食摄影
科技数码
人物写真
创意设计
壁纸背景
游戏原画
首页
殷商
图片详情
天气这么好,徒步中国殷商大王宫
0
浏览
0
喜欢
1600x1200
尺寸
2026-03-14 01:38:02
上传
查看原图
下载图片
图片链接
缩略图
原图
外链
专题
殷商
相关图片
5厘米,河南安阳出土,殷商时期.立耳,折沿,方唇,深腹,平底,四粗壮柱足.
0
0
殷商
0
0
殷商
0
0
酒尊斑剥探殷商
0
0
话说殷商尚白习俗
0
0
晚夏殷商八百年 : 大历史视野下的早中国时代 9787519912246
0
0
夏商王朝之殷商起源
0
0
汉字衍化临写作品一殷商巜甲骨文字》(八种不同风格) - 抖音
0
0
打卡河南名胜之殷商遗韵
0
0
资料| 殷商已知部落方国
0
0
河南安阳殷商都城汉字之源
0
0
繁盛的殷商时期存续五百多年的原因
0
0
随机推荐
取打瓜子.图网络
0
0
霸气个性的冷酷高冷男子帅哥头像 戴帽子暗色系低调微信男头真人_男生
0
0
艾灸功效
0
0
时尚套装女秋装新款宽松打底毛衣配裙子针织衫冬网红两件套潮
0
0
情侣头像么么哒
0
0
性感美女甜美高清电脑壁纸
0
0
盾牌形状模板
0
0
mega闪光喷火龙
0
0
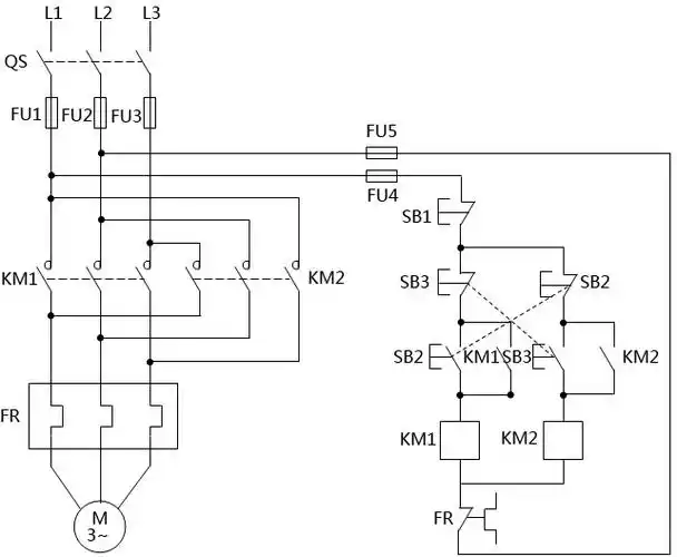
昌晖仪表给出的方法是将改为按钮互锁正反转控制电路,操作方法更方便.
0
0
和源培训加强职业道德培训为优质护理服务固本培元
0
0
女性力量不断崛起贺冬冬的创业之路传奇又励志
0
0
同样是眼睛变红唐三因为杀气唐昊因为魂环胡列娜呢
0
0