八零图社
首页
最新
热门
排行
首页
最新
热门
排行
自然风光
动漫卡通
美食摄影
科技数码
人物写真
创意设计
壁纸背景
游戏原画
首页
交流电源电路图
图片详情
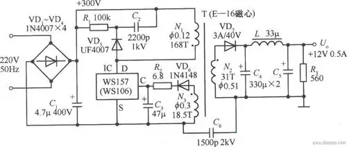
交流220v转直流600v开关电源电路图
0
浏览
0
喜欢
642x310
尺寸
2026-03-13 08:53:57
上传
查看原图
下载图片
图片链接
缩略图
原图
外链
专题
交流电源电路图
相关图片
1整流电路6969整流电路连接于系统交流供电电源后,包括一个三抽头
0
0
1000w自动调压交流稳压电源电路
0
0
220v交流降为12v直流再降为5v作为三个供电电源
0
0
成都忠源电子揭秘30w,12v输出开关电源电路图
0
0
变频电器,开关电源,电动工具,不适用于电容减压,交流电机,工频变压器
0
0
12v开关电源电路图 -解决方案-华强电子网
0
0
该可调交流电源电路由调压电路和隔离输出电路组成,如图5-62所示.
0
0
图3-6是一款单色显示器低压电源部分电路,交流220v市电经电源变压器t
0
0
交流电源供电的大电流led驱动电路
0
0
330w交流稳压电源电潞-电路图-aet-中国科技核心期刊-最丰富的电子
0
0
计算机交流电源电路图
0
0
交流电源的电路
0
0
随机推荐
有丁妙妙的美图么尤其跳solo那次找不到哇呜呜呜
0
0
幸福的亚洲家庭享受家庭时间一起在公园里幸福一家三口
0
0
潮牌壁纸 supreme
0
0
许佳琪白色西装酷美造型
0
0
九洲青你3#"导师合作舞台""每一个舞台都光芒万丈"@青春有你3-唐九洲
0
0
下图的蔡徐坤,实在太撩人,喉结控,你们被迷晕了吗! 单独看王一博
0
0
分手10年再看罗晋和苗圃的人生境遇差距一目了然
0
0
正大集团
0
0
纯色壁纸背景图
0
0
凉山火把节!彝族姑娘 传统服饰也太美了叭
0
0
请按门铃标签指示贴门铃开关铃当小贴纸门铃贴纸小铃铛贴纸
0
0
马路上能开,铁轨上能跑!宁波市唯一路轨两用消防车开展上轨训练
0
0