八零图社
首页
最新
热门
排行
首页
最新
热门
排行
自然风光
动漫卡通
美食摄影
科技数码
人物写真
创意设计
壁纸背景
游戏原画
首页
黄品源小薇
图片详情
【1080p修复】《小薇》-黄品源 20年前,大街上小男孩嘴里总会来一句
0
浏览
0
喜欢
1920x1200
尺寸
2026-03-12 03:18:08
上传
查看原图
下载图片
图片链接
缩略图
原图
外链
专题
黄品源小薇
相关图片
黄品源《小薇》,她有双温柔的眼睛,她悄悄偷走了我的心
0
0
经典老歌#黄品源的一首原唱《小薇》,清新的旋律,唱出爱情初恋的蔚览
0
0
黄品源《再见小薇》巡回演唱会首站上海.顺收95 小时候品源 - 抖音
0
0
经典老歌:黄品源《小薇》,20年前大街上小男孩嘴里总会来一句
0
0
[ape] 黄品源 -《小薇情歌》hdcd polydor引进版 [ape] [115盘/ct]
0
0
黄品源初恋情人"小薇"曝光 上节目叙当年情(图)
0
0
老歌回顾 #黄品源 #小薇
0
0
小微#黄品源#经典歌曲
0
0
随海浪飘浮为小薇情深好男人黄品源的这三十年
0
0
还记得演唱《小薇》的歌手黄品源吗?如今52岁的他变成长这样了
0
0
黄品源 - 小薇
0
0
黄品源与梁咏琪黄品源去马来西亚演出时,有朋友向他推荐了《小薇》这
0
0
随机推荐
图文热身赛中国男篮75比96立陶宛王仕鹏运球
0
0
小红军卡通红色文化吉祥物
0
0
海伦哲牌xhz5097jgkj6高空作业车公告图片
0
0
【报纸设计】世界各地的50种报纸版面排版设计精彩案例
0
0
本文盘点了香港十大男歌手排行榜,其中包括香港流行音乐祖师
0
0
自制电脑分区壁纸33草莓熊
0
0
【剧情版】择木而栖(《择木而栖》剧情歌)
0
0
竹林七贤中阮咸的冷知识冷故事这个做派也是没话说了
0
0
九女潭瀑布
0
0
小羊羔简谱 英国儿歌
0
0
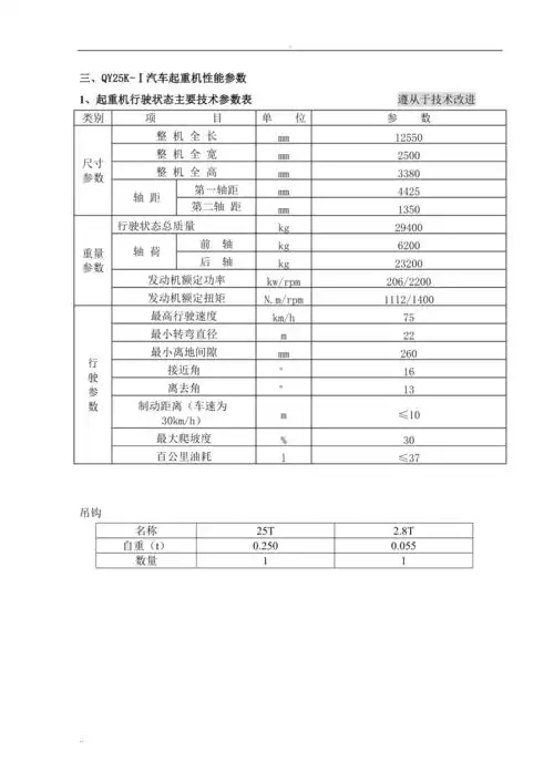
25k1徐工汽车起重机技术参数
0
0
我很少用"震撼"来形容一座城市_银川_沙漠_贺兰山岩画
0
0